วิธีการอ่านผังท่อและเคล็ดลับเพื่อปรับปรุงการระบายความร้อน

ในกระบวนการผลิต การจ่ายน้ำหล่อเย็นอย่างมีประสิทธิภาพ รวมถึงการระบายความร้อนและควบคุมอุณหภูมิที่เสถียร ถือเป็นสิ่งจำเป็นในการป้องกันปัญหาของอุปกรณ์และการปรับปรุงผลผลิต
การตรวจสอบด้วยสายตาภายในท่ออุปกรณ์ที่น้ำหล่อเย็นไหลผ่านนั้นเป็นเรื่องยาก ดังนั้น หากเกิดปัญหาขึ้น อาจต้องใช้เวลานานในการระบุสาเหตุ
อย่างไรก็ตาม แผนผังท่อมีคำแนะนำที่ซ่อนอยู่มากมาย ซึ่งสามารถนำไปสู่การปรับปรุงเมื่อเกิดปัญหาดังกล่าว
ครั้งนี้เราจะมาอธิบายให้เข้าใจง่ายๆ ว่าควรอ่านผังท่ออย่างไร และจะปรับปรุงระบบระบายความร้อนอย่างไร
1. วิธีการตีความแผนผังท่อ
แผนผังอุปกรณ์ที่มีระบบท่อจำนวนมากอาจดูซับซ้อน แต่สามารถเข้าใจได้ง่ายโดยทำตามขั้นตอนต่างๆ โดยเฉพาะอย่างยิ่งขั้นตอนพื้นฐานมีดังนี้:
① เข้าใจบทบาทของอุปกรณ์ → ② จำแนกประเภทท่อ → ③ ระบุแหล่งความร้อน
ขั้นแรก ให้เข้าใจบทบาทของอุปกรณ์ต่างๆ เช่น ถังเก็บน้ำ เครื่องแลกเปลี่ยนความร้อนระบายความร้อนด้วยน้ำ และปั๊ม จากนั้นจึงจำแนกประเภทของท่อที่เชื่อมต่ออุปกรณ์เหล่านั้น การแบ่งสีท่อตามประเภทของไหลจะช่วยให้เข้าใจภาพรวมได้ง่ายขึ้น สุดท้าย ให้ระบุแหล่งความร้อนที่ต้องการระบายความร้อน
2. วิธีการอ่านผังท่อจากถังวัตถุดิบไปจนถึงกระบวนการผสม และเคล็ดลับในการปรับปรุงการระบายความร้อน
ตอนนี้มาวิเคราะห์กันจริงๆ โดยใช้ผังท่อจากถังวัตถุดิบไปยังกระบวนการผสม
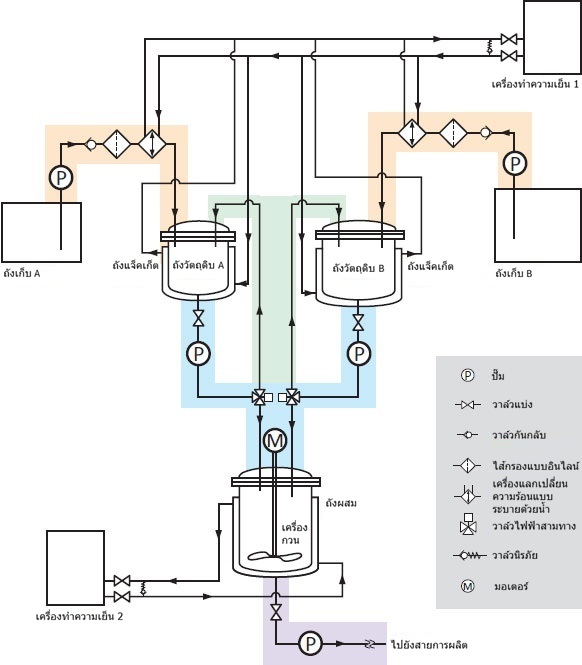
■ ขั้นตอนที่ 1. ทำความเข้าใจภาพรวมของอุปกรณ์
ขั้นแรก ให้ดูภาพรวมของระบบท่อทั้งหมด รวมถึงบทบาทและความสัมพันธ์ของอุปกรณ์แต่ละชิ้นจากสัญลักษณ์บนแผนผังระบบท่อ
ในแผนภาพด้านล่าง พื้นที่สีส้มแสดงว่าวัตถุดิบที่อุณหภูมิห้องจะถูกส่งจากถังเก็บ A และ B ไปยังถังวัตถุดิบที่เกี่ยวข้อง และอุณหภูมิจะถูกควบคุมโดยเครื่องทำความเย็น 1
ในพื้นที่สีน้ำเงิน วัตถุดิบ 2 ประเภทที่จัดหาจากถังวัตถุดิบแต่ละถังจะถูกขนส่งไปยังถังผสมซึ่งวัตถุดิบจะถูกกวนและผสมกัน และเครื่องทำความเย็น 2 จะปรับอุณหภูมิให้อยู่ในระดับที่เหมาะสม
ส่วนสีเขียวแสดงว่าวาล์วมอเตอร์ทำหน้าที่ปรับปริมาณวัตถุดิบที่ป้อนเข้าสู่ถังผสม โดยนำวัตถุดิบที่ไม่จำเป็นบางส่วนกลับคืนสู่ถังวัตถุดิบ ส่วนสีม่วงคือส่วนที่วัตถุดิบที่ผสมเสร็จแล้วจะถูกป้อนเข้าสู่กระบวนการถัดไป

การกำหนดรหัสสีในแต่ละพื้นที่ด้วยวิธีนี้และการทำความเข้าใจความสัมพันธ์และบทบาทของอุปกรณ์แต่ละชิ้น จะทำให้เข้าใจภาพรวมของแผนผังระบบท่อทั้งหมดได้ง่ายขึ้น
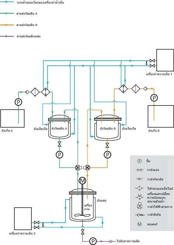
■ ขั้นตอนที่ 2 จำแนกประเภทท่อตามระบบ
ต่อไปเรามาดูการกำหนดรหัสสีท่อตามของเหลวที่ไหลผ่านกัน
ที่นี่ วงจรหมุนเวียนน้ำหล่อเย็นของเครื่องทำความเย็นจะแสดงเป็นสีฟ้าอ่อน เส้นจ่ายสำหรับวัตถุดิบ A จะแสดงเป็นสีเขียว เส้นจ่ายสำหรับวัตถุดิบ B จะแสดงเป็นสีส้ม และเส้นจ่ายสำหรับวัตถุดิบผสมจะแสดงเป็นสีม่วง
ทำให้สามารถมองเห็นได้ในทันทีว่าของเหลวใดไหลผ่านท่อใด

■ ขั้นตอนที่ 3 ระบุแหล่งความร้อน
สุดท้ายนี้ ให้ระบุแหล่งความร้อน หากคุณต้องการปรับปรุงระบบระบายความร้อนเพื่อเพิ่มประสิทธิภาพการทำงานของเครื่อง คุณต้องระบุแหล่งความร้อนให้ถูกต้องแม่นยำ
แหล่งความร้อนได้แก่ความร้อนที่เกิดขึ้นในกระบวนการปรับอุณหภูมิของวัตถุดิบในถังวัตถุดิบ วัตถุดิบที่มีอุณหภูมิห้องในถังเก็บ ความร้อนที่เกิดจากปั๊ม และความร้อนที่เข้ามาจากอากาศภายนอก กระบวนการผลิตวัตถุดิบแบบผสมในถังผสมยังสร้างความร้อนจากเครื่องกวนและความร้อนจากปฏิกิริยาอีกด้วย

การระบุแหล่งความร้อนมีความสำคัญอย่างยิ่งในกระบวนการผลิต ข้อมูลต่างๆ เช่น การระบายความร้อนที่เกิดจากเครื่องจักร การปรับอุณหภูมิขณะผสมวัตถุดิบ และความแตกต่างของอุณหภูมิระหว่างอุณหภูมิห้องและวัตถุดิบ ซึ่งได้รับผลกระทบจากอุณหภูมิภายนอกอย่างมาก ล้วนเป็นสิ่งจำเป็นต่อการคำนวณความสามารถในการทำความเย็น
การระบุตำแหน่งแหล่งความร้อนเหล่านี้ช่วยให้ทำความเย็นได้อย่างมีประสิทธิภาพและแม่นยำ
3. วิธีการอ่านแผนผังท่อระบบไฮดรอลิกและเคล็ดลับเพื่อปรับปรุงการระบายความร้อน
นี่คือเคล็ดลับบางประการสำหรับการอ่านและตีความแผนผังท่อสำหรับระบบไฮดรอลิก ระบบไฮดรอลิกมีหลากหลายประเภท ตั้งแต่แบบง่ายไปจนถึงแบบซับซ้อน ดังนั้นหากคุณไม่คุ้นเคยกับการอ่านแผนผัง อาจเป็นเรื่องยาก
มาอ่านผังท่อระบบไฮดรอลิกกันแบบ 2 ขั้นตอน
■ ขั้นตอนที่ 1. จำแนกส่วนประกอบไฮดรอลิก
ระบบไฮดรอลิกสามารถแบ่งออกได้เป็น 5 ส่วนหลักๆ คือ กระบอกสูบไฮดรอลิก (ตัวกระตุ้นไฮดรอลิก) วาล์ว ปั๊มไฮดรอลิก ถังไฮดรอลิก และอุปกรณ์เสริม
| ตัวกระตุ้นไฮดรอลิก | แปลงพลังงานความกดดันให้เป็นงาน ตัวอย่าง: กระบอกสูบไฮดรอลิก มอเตอร์ไฮดรอลิก ตัวกระตุ้นแบบสั่น |
|---|---|
| วาล์ว | ควบคุมการส่งผ่านพลังงานในของเหลวไฮดรอลิก เช่น วาล์วควบคุมแรงดัน, วาล์วควบคุมการไหล, วาล์วควบคุมทิศทาง |
| ปั๊มไฮดรอลิก | จัดหาน้ำมันไฮดรอลิกที่มีแรงดัน |
| ถังไฮดรอลิก | จัดเก็บน้ำมันไฮโดรลิค |
| เครื่องประดับ | ช่วยให้แน่ใจว่าระบบไฮดรอลิกทำงานได้อย่างถูกต้อง ตัวอย่าง: เครื่องแลกเปลี่ยนความร้อน ตัวกรอง เครื่องมือ |
ในผังท่อของวงจรระบบไฮดรอลิก เช่น แผนผังด้านล่างนี้ คุณจะเห็นว่าท่อที่ยื่นออกมาจากตัวกระตุ้นไฮดรอลิกจะผ่านวาล์วต่างๆ เช่น วาล์วควบคุมการไหลและวาล์วโซลินอยด์ ผ่านปั๊มไฮดรอลิก ผ่านหม้อน้ำระบายความร้อนด้วยอากาศและตัวกรอง และไหลเข้าไปในถังไฮดรอลิก
คุณสามารถเข้าใจระบบไฮดรอลิกโดยรวมได้โดยการทำความเข้าใจบทบาทของส่วนประกอบต่างๆ ดังนั้นจึงไม่จำเป็นต้องกำหนดรหัสสีของเหลวเหมือนกับถังวัตถุดิบ

■ ขั้นตอนที่ 2 ระบุแหล่งความร้อน
แหล่งความร้อนหลักในระบบไฮดรอลิกคือปั๊มไฮดรอลิก
ปั๊มไฮดรอลิกเป็นแหล่งพลังงานที่ใช้แรงดันและการไหลให้กับน้ำมันไฮดรอลิก แต่ในขณะเดียวกัน ปั๊มเหล่านี้ยังกลายเป็นแหล่งความร้อนเมื่ออุณหภูมิของน้ำมันไฮดรอลิกสูงขึ้น และการเกิดความร้อนที่สูงกว่าระดับหนึ่งนั้นหลีกเลี่ยงไม่ได้เนื่องจากโครงสร้างของปั๊ม
โดยเฉพาะอย่างยิ่งสำหรับหน่วยไฮดรอลิกขนาดใหญ่ จำเป็นต้องเตรียมเครื่องจักรเพื่อระบายความร้อนน้ำมันไฮดรอลิก ขอแนะนำให้ใช้เครื่องแลกเปลี่ยนความร้อนหรืออุปกรณ์ที่คล้ายกันเพื่อตั้งอุณหภูมิเป้าหมายไว้ที่ประมาณ 35 ถึง 55 องศาเซลเซียส
4.まとめ
แผนผังท่อที่ใช้สัญลักษณ์เฉพาะอาจดูซับซ้อนมากในตอนแรก แต่หากใช้แผนผังเพื่อเคลื่อนย้ายของไหล เช่น วัตถุดิบ ก็สามารถเข้าใจภาพรวมของอุปกรณ์ในแต่ละส่วนและระบุแหล่งความร้อนได้ง่ายด้วยการใช้รหัสสีท่อสำหรับของไหลแต่ละชนิด
แม้แต่เมื่อวาดแผนผังท่อสำหรับอุปกรณ์ไฮดรอลิกที่หลากหลาย คุณก็สามารถสร้างภาพรวมของแผนผังท่อได้ชัดเจนยิ่งขึ้นโดยการจำแนกส่วนประกอบของระบบไฮดรอลิก ปั๊มไฮดรอลิกซึ่งเป็นแหล่งความร้อนหลัก ควรติดตั้งเครื่องแลกเปลี่ยนความร้อนหรืออุปกรณ์ที่คล้ายคลึงกันอย่างเหมาะสมเพื่อควบคุมอุณหภูมิ
การตีความแผนผังท่ออย่างถูกต้องช่วยให้ทำความเย็นบริเวณที่จำเป็นได้อย่างมีประสิทธิภาพ ปรับปรุงประสิทธิภาพการผลิต และยืดอายุการใช้งานของเครื่องจักร






