
ประเภทท่อระบายความร้อน
ENH-117L-230
| ความจุที่กำหนด (W/K) | 15/18 |
|---|---|
| แรงดันไฟฟ้าที่กำหนด (V) | AC230 เฟสเดียว |
| ประเภทการติดตั้ง | การติดตั้งที่ด้านข้างแผง |
| ขนาดภายนอก (มม.) | H426×W177×D70 |
| มวล (กก.) | 4 |
การสอบถาม
ดาวน์โหลด
ENH-117L-230 รายละเอียดสินค้า
ข้อมูลจำเพาะ
| ประเภทการติดตั้ง | การติดตั้งที่ด้านข้างแผง |
|---|---|
| วิธีการทำความเย็น | ระบบท่อนำความร้อนสูง (Heat Pipe) ปราศจากสาร CFC อย่างสมบูรณ์ (ใช้น้ำบริสุทธิ์) |
| ความจุที่กำหนด (W/K) | 15/18 |
| อุณหภูมิโดยรอบ (℃) | 0 ถึง 60 หรือต่ำกว่า |
| ความชื้นโดยรอบ (%RH) | 10 ถึง 85 (ไม่มีการควบแน่น) |
| ขนาดภายนอก (มม.) | H426×W177×D70 |
| มวล (กก.) | 4 |
| สีทาบ้าน | ชุบสังกะสีแบบจุ่มร้อน/ไม่ทาสี |
| แรงดันไฟฟ้าที่กำหนด (V) | AC230 เฟสเดียว |
| การบริโภคกระแสไฟฟ้า (A) | 0.14/0.12 (สูงสุด) |
| กระแสไฟฟ้ายับยั้ง (A) | 0.16/0.14 (สูงสุด) |
| การใช้พลังงาน (วัตต์) | 27/24 (สูงสุด) |
| การรับรอง | CE |
หมายเหตุ) ความจุที่กำหนด (W/K): ความสามารถในการแลกเปลี่ยนความร้อนเมื่อความแตกต่างของอุณหภูมิระหว่างภายในและภายนอกตู้เท่ากับ 20K
รายการชิ้นส่วนที่รวมอยู่
| ฝาครอบป้องกัน | 1 ชิ้น |
|---|---|
| กรอง | 1 แผ่น |
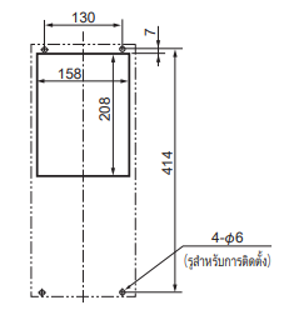
ขนาดภายนอก

ภาพวาดการติดตั้ง

*แผนภาพเมื่อมองจากภายนอกแผงควบคุม
*กรุณารักษาระยะห่างของเกลียวขณะทำการประมวลผล
*การตัดแผงมาตรฐานจะไม่เปลี่ยนแปลงแม้ว่าจะมีการเปลี่ยนแปลงรุ่นก็ตาม (โดยมีข้อยกเว้นบางประการ)
【บันทึก】
○โปรดอ่านคู่มือการใช้งานก่อนใช้งานและใช้ให้ถูกต้อง
○สินค้าจะถูกจัดส่งไปที่ยานพาหนะ(สถานที่ภายในประเทศที่กำหนด ไม่รวมเกาะห่างไกล)
○ อาจต้องใช้เที่ยวบินเช่าเหมาลำ ขึ้นอยู่กับรุ่นและจำนวนหน่วย (อาจมีค่าใช้จ่ายเพิ่มเติม)
สำหรับการจัดส่งไปต่างประเทศ เราขอแนะนำให้แยกบรรจุภัณฑ์ต่างประเทศ
การใช้ผลิตภัณฑ์นอกช่วงพลังงานที่กำหนดอาจทำให้เกิดการทำงานผิดปกติได้
○ ยึดฝาครอบด้านหน้าด้วยแรงบิดขัน 4.9 ถึง 7.4 N·cm
กรุณาทำการบำรุงรักษาตามปกติ
○ การไม่ดำเนินการบำรุงรักษาตามปกติอาจส่งผลให้ประสิทธิภาพของผลิตภัณฑ์ลดลงหรือเกิดปัญหาได้
○ ท่อระบายความร้อนอาจแตกได้หากถูกความร้อนเกิน 200°C ห้ามโยนเข้ากองไฟ
○ เมื่อจะทิ้งผลิตภัณฑ์ ให้ตัดส่วนหนึ่งของท่อระบายความร้อนออก
หากคุณมีปัญหาในการเลือกผลิตภัณฑ์ หรือต้องการปรึกษาเกี่ยวกับการนำไปใช้งาน
โปรดอย่าลังเลที่จะติดต่อเรา
การสอบถาม
สำหรับการสอบถามผลิตภัณฑ์, การขอใบเสนอราคา, ฯลฯ
โปรดอย่าลังเลที่จะติดต่อเรา

