
เครื่องทำความเย็นแบบช่วงกว้าง ความแม่นยำสูง
พีซียู-ดับเบิลยู6630อาร์
| ความสามารถในการทำความเย็น (วัตต์) | 5900/6400 |
|---|---|
| ความแม่นยำในการควบคุมอุณหภูมิ (℃) | ±0.10 (โหมดความแม่นยำสูง) |
| ช่วงอุณหภูมิน้ำหมุนเวียน (℃) | -10~80 |
| อัตราการไหลของน้ำหมุนเวียน (ℓ/นาที) | 35/40 |
การสอบถาม
ดาวน์โหลด
PCU-W6630R รายละเอียดสินค้า
ข้อมูลจำเพาะ
(50/60เฮิรตซ์)
| วิธีการทำความเย็น | ระบายความร้อนด้วยน้ำ |
|---|---|
| ความสามารถในการทำความเย็น (วัตต์) | 5900/6400 |
| ความสามารถในการทำความร้อน/ควบคุมความร้อน (วัตต์) | 6000 |
| น้ำหมุนเวียน | น้ำสะอาด สารละลายเอทิลีนไกลคอล (ความเข้มข้น 30% หรือต่ำกว่า) |
| ความแม่นยำในการควบคุมอุณหภูมิ (℃) | ±0.10 (โหมดความแม่นยำสูง) |
| อุณหภูมิโดยรอบ (℃) | 5~40 |
| ช่วงอุณหภูมิน้ำหมุนเวียน (℃) | -10~80 |
| อัตราการไหลของน้ำหมุนเวียน (ℓ/นาที) | 35/40 |
| ความสูงในการยก (ม.) | 24/35 |
| ความจุถัง (ℓ) | 38 |
| ช่วงอุณหภูมิน้ำหล่อเย็น (℃) | 5~40 |
| แรงดันน้ำหล่อเย็น (Mpa) | 0.1~0.5 |
| อัตราการไหลของน้ำหล่อเย็นที่ต้องการ (ℓ/นาที) | 25 |
| ขนาดภายนอก (มม.) | H1250×W440×D800 |
| มวล (กก.) | 137 |
| แรงดันไฟฟ้าที่กำหนด (V) | AC200 สามเฟส |
| การใช้พลังงาน/นาที (W) | 2900/3350 |
| การใช้พลังงาน/สูงสุด (W) | 8900/9350 |
| อัตราการบริโภคกระแสไฟฟ้า/นาที (A) | 10.5/11.2 |
| อัตราการบริโภคกระแสไฟฟ้า /MAX (A) | 30.5/31.2 |
| ความจุไฟฟ้า (kVA) | 15 |
| การรับรอง | CE |
| สารทำความเย็น | R407C 910 กรัม |
| เสียงรบกวน (เดซิเบล) | 55/55 |
| วงจรความปลอดภัย/คอมเพรสเซอร์ | ตัวป้องกันอุณหภูมิ (ปิด 135℃) รีเลย์กระแสเกิน |
| วงจรความปลอดภัย/มอเตอร์พัดลม | รีเลย์กระแสเกิน |
| สัญญาณเตือนขีดจำกัดบน/ล่างของอินพุต/เอาต์พุต/อุณหภูมิน้ำ | หน้าสัมผัสไม่มีแรงดันไฟฟ้า (AC 250V/2A/โหลดต้านทาน) |
| อินพุต/เอาท์พุต/RS-232C | ฮาล์ฟดูเพล็กซ์ 3 สาย 1:1 |
| อินพุต/เอาต์พุต/อินพุตหยุดฉุกเฉิน | อินพุตแบบไม่มีแรงดันไฟฟ้า |
| อินพุต/เอาต์พุต/อินพุตเซ็นเซอร์อุณหภูมิภายนอก | พีที100 |
| ประสิทธิภาพด้านความปลอดภัย | ตัวตั้งเวลาสภาพคอมเพรสเซอร์, ปั๊มช่วยปิด, ตัวปรับการยึด, ถาดนิรภัยคู่ |
| การทำงาน | ฟังก์ชันแจ้งเตือนแรงดันน้ำหมุนเวียน, ฟังก์ชันแสดงแรงดันน้ำหมุนเวียน, ฟังก์ชันแจ้งเตือนอุณหภูมิน้ำหมุนเวียน, ฟังก์ชันแสดงกำลังเครื่องทำน้ำอุ่น, ฟังก์ชันแสดงเวลาการทำงานของปั๊ม, ฟังก์ชันการทำงานป้องกันการแข็งตัว, ฟังก์ชันตัวกรองดิจิทัล, ฟังก์ชันตั้งรหัสผ่าน, ฟังก์ชันปรับแต่งอัตโนมัติ, ฟังก์ชันตั้งเวลาเปิด/ปิด, ฟังก์ชันล็อกกุญแจ, ฟังก์ชันบันทึกประวัติข้อผิดพลาด, ฟังก์ชันควบคุมแบบเรียงซ้อน, ฟังก์ชันป้อนอุณหภูมิภายนอก |
ความสามารถในการทำความเย็น: ความสามารถในการทำความเย็นเมื่ออุณหภูมิของน้ำหมุนเวียนอยู่ที่ 20°C อุณหภูมิของน้ำหล่อเย็นอยู่ที่ 30°C และน้ำหมุนเวียนอยู่ที่อัตราการไหลที่กำหนด
ความแม่นยำในการควบคุมอุณหภูมิ: ความแม่นยำขึ้นอยู่กับค่าที่ระบุของตัวควบคุมอุณหภูมิยูนิตหลักเมื่อโหลดคงที่ อุณหภูมิน้ำหมุนเวียนอยู่ที่ 20°C อุณหภูมิน้ำหล่อเย็นอยู่ที่ 30°C และน้ำหมุนเวียนอยู่ที่อัตราการไหลที่กำหนด ข้อกำหนดเฉพาะอาจไม่เป็นไปตามที่กำหนด ขึ้นอยู่กับเงื่อนไขการใช้งาน
*2 หากใช้น้ำสะอาด โปรดใช้น้ำที่ตรงตามมาตรฐานคุณภาพน้ำของสมาคมอุตสาหกรรมเครื่องปรับอากาศและทำความเย็นแห่งประเทศญี่ปุ่น (JRA-GL 02:1994)
ใช้วัสดุที่มีค่าการนำไฟฟ้า 1 μS/cm ขึ้นไป (หากสูงกว่านี้แสดงว่ามีความบริสุทธิ์ต่ำ เช่น 100 μS/cm)
การใช้หมุนเวียนน้ำนอกเหนือจากข้อกำหนดอาจส่งผลให้ประสิทธิภาพของเครื่องทำความเย็นลดลงและเกิดความล้มเหลวก่อนเวลาอันควร
หากใช้ที่อุณหภูมิต่ำกว่า 10°C โปรดใช้สารป้องกันการแข็งตัว (สารละลายเอทิลีนไกลคอลที่มีความเข้มข้นที่เหมาะสม)
ขนาดภายนอก : ไม่รวมส่วนที่ยื่นออกมา
อัตราการไหลที่กำหนด: อัตราการไหลของน้ำหมุนเวียนที่จำเป็นเพื่อให้เป็นไปตามความสามารถในการทำความเย็นและความแม่นยำของอุณหภูมิ
ปั๊มหมุนเวียน: คือค่าที่ลบด้วยค่าการสูญเสียแรงดันภายในตัวเครื่องหลัก
- ก่อนที่จะติดตั้งผลิตภัณฑ์จริง โปรดตรวจสอบข้อมูลจำเพาะและข้อควรระวังในคู่มือการใช้งาน
・หากคุณต้องการคู่มือการใช้งานล่วงหน้าสำหรับการออกแบบของคุณ โปรดติดต่อสำนักงานขายที่ใกล้ที่สุด
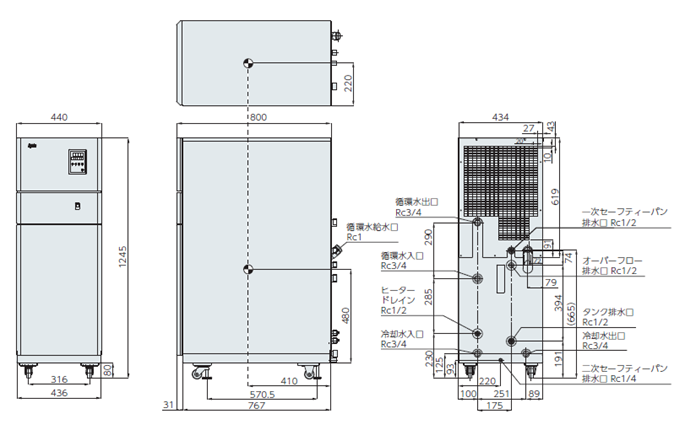
ขนาด

■เส้นผ่านศูนย์กลางท่อแต่ละท่อ
ทางออกน้ำหมุนเวียน: Rc3/4 ตัวเมีย [แรงบิดขันแน่น (แนะนำ)] 40 ถึง 45 นิวตันเมตร
ทางเข้าน้ำหมุนเวียน: Rc3/4 ตัวเมีย [แรงบิดขันแน่น (แนะนำ)] 40 ถึง 45 N·m
ทางเข้าน้ำหล่อเย็น: Rc3/4 ตัวเมีย [แรงบิดขันแน่น (แนะนำ)] 40 ถึง 45 นิวตันเมตร
ทางออกน้ำหล่อเย็น: Rc3/4 ตัวเมีย, [แรงบิดขันแน่น (แนะนำ)] 40 ถึง 45 นิวตันเมตร
พอร์ตระบายน้ำกระทะนิรภัยหลัก: Rc1/2 ตัวเมีย [แรงบิดขันแน่น (แนะนำ)] 28-30N・m
พอร์ตระบายน้ำกระทะนิรภัยรอง: Rc1/4 ตัวเมีย [แรงบิดขันแน่น (แนะนำ)] 15 ถึง 18 นิวตันเมตร
ท่อระบายน้ำฮีตเตอร์: Rc1/2 ตัวเมีย [แรงบิดขันแน่น (แนะนำ)] 28 ถึง 30 N·m
พอร์ตระบายน้ำถัง: Rc1/2 ตัวเมีย, [แรงบิดขันแน่น (แนะนำ)] 28-30N・m
พอร์ตระบายน้ำล้น: Rc1/2 ตัวเมีย, [แรงบิดขันแน่น (แนะนำ)] 28-30N・m
ช่องทางเข้าน้ำหมุนเวียน: Rc1 ตัวเมีย
ความจุของปั๊ม

ส่วนหัว: 1 [ม.] = 0.0098 [MPa]
ความสามารถในการทำความเย็น

ก. อุณหภูมิน้ำหล่อเย็น 10℃ ข. อุณหภูมิน้ำหล่อเย็น 20℃ ค. อุณหภูมิน้ำหล่อเย็น 30℃ ง. อุณหภูมิน้ำหล่อเย็น 40℃
○โปรดอ่านคู่มือการใช้งานก่อนใช้งานและใช้ให้ถูกต้อง
○สินค้าจะถูกจัดส่งไปที่ยานพาหนะ(สถานที่ภายในประเทศที่กำหนด ไม่รวมเกาะห่างไกล)
○ อาจต้องใช้เที่ยวบินเช่าเหมาลำ ขึ้นอยู่กับรุ่นและจำนวนหน่วย (อาจมีค่าใช้จ่ายเพิ่มเติม)
สำหรับการจัดส่งไปต่างประเทศ เราขอแนะนำให้แยกบรรจุภัณฑ์ต่างประเทศ
○หากคุณต้องการจัดการประชุม โปรดติดต่อเราแยกต่างหาก
○ โปรดตรวจสอบข้อมูลจำเพาะและติดตั้งเบรกเกอร์ (เบรกเกอร์วงจรสายไฟ) ที่เหมาะสมระหว่างผลิตภัณฑ์นี้และแหล่งจ่ายไฟ
การใช้ผลิตภัณฑ์นอกช่วงพลังงานที่กำหนดอาจทำให้เกิดการทำงานผิดปกติได้
กรุณาทำการบำรุงรักษาตามปกติ
○ การไม่ดำเนินการบำรุงรักษาตามปกติอาจส่งผลให้ประสิทธิภาพของผลิตภัณฑ์ลดลงหรือเกิดปัญหาได้
เมื่อจะกำจัดผลิตภัณฑ์นี้ โปรดปฏิบัติตามกฎหมายและข้อบังคับที่เกี่ยวข้องทั้งหมด และทำอย่างเหมาะสม
เลือกเครื่องทำความเย็นจากหมวดหมู่ผลิตภัณฑ์
เครื่องทำความเย็นแบบไม่มีด้านหน้า
ซีรีส์ PCU-NE เป็นเครื่องทำความเย็นชนิดใหม่ซึ่งเป็นเครื่องแรกในอุตสาหกรรมที่ใช้สารทำความเย็นที่ไม่ใช่ฟรีออน นอกจากนี้ยังมาพร้อมฟีเจอร์ใหม่ 2 ประการของอุตสาหกรรม ได้แก่ เครื่องบันทึกไดรฟ์และปฏิทินเวลา
เครื่องทำน้ำเย็นทนทานสูง ประหยัดพลังงาน
เครื่องทำความเย็นรุ่นนี้ผสานประสิทธิภาพการประหยัดพลังงานสูงถึง 50% เข้ากับความทนทานที่ทนทานต่อสภาพแวดล้อมที่รุนแรงทั้งในพื้นที่โล่งและการใช้งานกลางแจ้ง นอกจากนี้ยังมีความแม่นยำของอุณหภูมิสูงและเหมาะสำหรับการใช้งานที่หลากหลาย
เครื่องทำความเย็นช่วงกว้าง ความแม่นยำสูง
ควบคุมการไหลเวียนของน้ำได้ในช่วงอุณหภูมิ -10 ถึง 80 องศาเซลเซียส และมีความแม่นยำสูงถึง ±0.05 องศาเซลเซียส นิยมใช้กันอย่างแพร่หลายในด้านการผลิต การพัฒนา และการวิจัย
ปั๊มแบบไม่ใช้ฟรีออน/เครื่องทำความเย็นแบบไม่มีถัง
ซีรีส์ PCU-F มีโครงสร้างที่ไม่มีปั๊มหรือถังภายในตัวเครื่องหลัก โครงสร้างนี้ช่วยเพิ่มอิสระในการออกแบบอย่างมาก และให้ความยืดหยุ่นในการตอบสนองความต้องการที่หลากหลาย
หากคุณมีปัญหาในการเลือกผลิตภัณฑ์ หรือต้องการปรึกษาเกี่ยวกับการนำไปใช้งาน
โปรดอย่าลังเลที่จะติดต่อเรา
หากคุณดูหน้านี้ แสดงว่าคุณตรวจสอบเอกสารเหล่านี้ด้วย:
การสอบถาม
สำหรับการสอบถามผลิตภัณฑ์, การขอใบเสนอราคา, ฯลฯ
โปรดอย่าลังเลที่จะติดต่อเรา




