
ノンドレン制御盤用クーラー(ノンフロン)
ENC-GR510LE-eco
| ความสามารถในการทำความเย็น (วัตต์) | 500 |
|---|---|
| แรงดันไฟฟ้าที่กำหนด (V) | เฟสเดียว AC100 ถึง 120 |
| ประเภทการติดตั้ง | การติดตั้งด้านข้าง |
| ขนาดภายนอก (มม.) | H500×W350×D250 |
| มวล (กก.) | 21 |
การสอบถาม
ดาวน์โหลด
ENC-GR510LE-eco รายละเอียดผลิตภัณฑ์
ข้อมูลจำเพาะ
ดูข้อมูลจำเพาะในแคตตาล็อก(50/60เฮิรตซ์)
| ประเภทการติดตั้ง | การติดตั้งด้านข้าง |
|---|---|
| ความสามารถในการทำความเย็น (วัตต์) | 500 |
| ช่วงการตั้งค่าอุณหภูมิ (℃) | 25~45 |
| อุณหภูมิโดยรอบ (℃) | 20~55 |
| ความชื้นโดยรอบ (%RH) | 10 ถึง 85 (ไม่มีการควบแน่น) |
| ขนาดภายนอก (มม.) | H500×W350×D250 |
| มวล (กก.) | 21 |
| สีทาบ้าน | Munsell 5Y7/1 เทียบเท่าสีเบจอ่อน |
| แรงดันไฟฟ้าที่กำหนด (V) | เฟสเดียว AC100 ถึง 120 |
| อัตราการใช้พลังงานปัจจุบัน: จัดอันดับ (A) * | 2.9/2.9 |
| อัตราการบริโภคกระแสไฟฟ้า: สูงสุด (A) | 4.0/4.0 |
| การใช้พลังงาน: พิกัด (วัตต์) * | 245 |
| การใช้พลังงาน: สูงสุด (W) | 340 |
| ความจุเบรกเกอร์ที่แนะนำ (A) | 10 |
| ความต้านทานการสั่นสะเทือน | เทียบเท่ากับ JIS Z0200 ระดับ 1 |
| ระดับการป้องกันฝุ่นและน้ำ | เทียบเท่า IP54 (เส้นทางการไหลเวียนภายใน) |
| การรับรอง | CE |
| ปริมาณสารทำความเย็น/ปริมาณการเติม (กรัม) | R1234yf 150g |
| เสียงรบกวน (dB(A)) | 約70 |
| เอาท์พุตภายนอก | เอาต์พุตสัญญาณเตือน (หน้าสัมผัสแบบไม่มีแรงดันไฟ: โหลดต้านทาน 250V 2A) สามารถสลับเป็นหน้าสัมผัสแบบไม่มีแรงดันไฟได้โดยการตั้งค่า |
| แสดง | อุณหภูมิแผง/ข้อผิดพลาด/การทำงาน |
*ความสามารถในการทำความเย็น: ค่าความจุที่กำหนดที่อุณหภูมิแวดล้อม 35°C ความชื้นสัมพัทธ์ 40% และแรงดันไฟฟ้าของแหล่งจ่ายไฟ 200V (100V สำหรับรุ่น 100V เท่านั้น) (เงื่อนไขการวัด: วิธีการทดสอบเอนทัลปีอากาศภายในอาคาร JIS B 8615-1)
*อุณหภูมิโดยรอบและความชื้นที่ใช้จะกำหนดช่วงการทำงานและไม่รับประกันประสิทธิภาพที่ได้รับการจัดอันดับ
*ค่าที่กำหนด: ค่าที่กำหนดที่อุณหภูมิแวดล้อม 35°C ความชื้นสัมพัทธ์ 40% และแรงดันไฟฟ้าของแหล่งจ่ายไฟ 200V (100V สำหรับรุ่น 100V เท่านั้น)
*ค่า MAX: มีข้อกำหนดสำหรับอุณหภูมิโดยรอบที่ค่า MAX
*โปรดใช้แรงดันไฟฟ้าของแหล่งจ่ายไฟภายใน ±10% ของแรงดันไฟฟ้าที่กำหนด
*อัตราการกินไฟและการใช้พลังงานเป็นค่าในระหว่างการทำงานทำความเย็น
*ระดับการป้องกันฝุ่นและน้ำหยด: ไม่รวมท่อระบายน้ำ
*โปรดอ่านคู่มือการใช้งานอย่างละเอียดก่อนใช้งานและใช้ให้ถูกต้อง
*เมื่อเปรียบเทียบภายใต้เงื่อนไขอุณหภูมิแวดล้อม 35°C การตั้งค่าอุณหภูมิแผงภายใน 35°C ความถี่ไฟฟ้า 60Hz โหลดแผงภายใน 300W
รุ่นก่อนหน้า ENC-G510LE กินไฟ 220W ในขณะที่ ENC-GR510LE-eco กินไฟ 162W ทำให้มีประสิทธิภาพมากขึ้น
ขนาดภายนอก

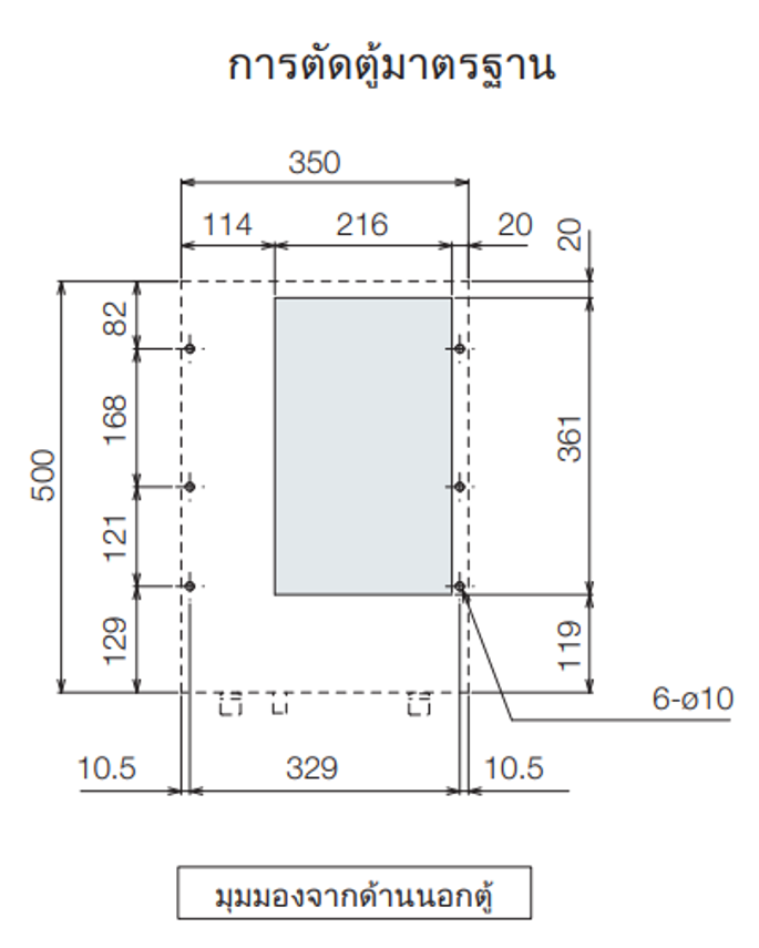
ภาพวาดการติดตั้ง

กราฟลักษณะความสามารถในการทำความเย็น

*หากคุณวางแผนที่จะใช้ เครื่องปรับอากาศสำหรับตู้ควบคุม ในสภาพแวดล้อมที่ใกล้เคียงกับขีดจำกัดบนของอุณหภูมิแวดล้อมที่อนุญาต โปรดปรึกษาตัวแทนฝ่ายขายของเรา
【บันทึก】
◯โปรดอ่านคู่มือการใช้งานก่อนใช้งานและใช้ให้ถูกต้อง
◯สินค้าจะถูกจัดส่งไปที่ยานพาหนะ(สถานที่ภายในประเทศที่กำหนด ไม่รวมเกาะห่างไกล)
◯ อาจต้องใช้บริการเที่ยวบินเช่าเหมาลำ ขึ้นอยู่กับรุ่นและจำนวนรถ (อาจมีค่าใช้จ่ายเพิ่มเติม)
◯สำหรับการจัดส่งไปต่างประเทศ เราขอแนะนำให้แยกบรรจุภัณฑ์ต่างประเทศ
○ โปรดตรวจสอบข้อมูลจำเพาะของตัวระบายความร้อน FA และติดตั้งเบรกเกอร์วงจรที่เหมาะสม (เบรกเกอร์วงจรสายไฟ) ระหว่างตัวระบายความร้อน FA และแหล่งจ่ายไฟ
◯การใช้ผลิตภัณฑ์นอกช่วงพลังงานที่กำหนดอาจทำให้เกิดการทำงานผิดปกติได้
กรุณาทำการบำรุงรักษาตามปกติ
◯การไม่ดำเนินการบำรุงรักษาตามปกติอาจส่งผลให้ประสิทธิภาพของผลิตภัณฑ์ลดลงหรือเกิดปัญหาได้
ห้ามใช้งานเครื่องทำความเย็น FA อย่างต่อเนื่องในขณะที่อุณหภูมิภายนอกต่ำในฤดูหนาว
เมื่อจะกำจัดผลิตภัณฑ์นี้ โปรดปฏิบัติตามกฎหมายและข้อบังคับที่เกี่ยวข้องทั้งหมด และกำจัดอย่างเหมาะสม
หากคุณมีปัญหาในการเลือกผลิตภัณฑ์ หรือต้องการปรึกษาเกี่ยวกับการนำไปใช้งาน
โปรดอย่าลังเลที่จะติดต่อเรา
หากคุณดูหน้านี้ แสดงว่าคุณตรวจสอบเอกสารเหล่านี้ด้วย:
การสอบถาม
สำหรับการสอบถามผลิตภัณฑ์, การขอใบเสนอราคา, ฯลฯ
โปรดอย่าลังเลที่จะติดต่อเรา

สินค้าที่ดูล่าสุด


