
ประเภทการควบคุมอุณหภูมิ
PAU-AZW8000SE
| ปริมาณอากาศที่ประมวลผล (ม 3 /นาที) | 21.0/24.0 |
|---|---|
| ความสามารถในการทำความเย็น (วัตต์) | 7700/8000 |
| ความจุความร้อน (วัตต์) | 10400/10700 |
| แรงดันไฟฟ้าที่กำหนด (V) | AC200 สามเฟส |
| พิมพ์ | ประเภทการควบคุมอุณหภูมิ |
| ขนาดภายนอก (มม.) | H1631×W650×D800 |
| มวล (กก.) | 220 |
การสอบถาม
ดาวน์โหลด
PAU-AZW8000SE รายละเอียดสินค้า
ข้อมูลจำเพาะ
| วิธีการทำความเย็น | ระบายความร้อนด้วยน้ำ |
|---|---|
| พิมพ์ | ประเภทการควบคุมอุณหภูมิ |
| กำลังการทำความเย็น (วัตต์) * | 7700/8000 |
| กำลังความร้อน (วัตต์) * | 10400/10700 |
| ความแม่นยำในการควบคุมอุณหภูมิ (°C) * | ±0.1 |
| ช่วงการควบคุมอุณหภูมิ (°C) * | 20 ถึง 30 |
| ช่วงการตั้งค่าอุณหภูมิ (°C) * | 11~45 |
| อุณหภูมิโดยรอบ (℃) | 15 ถึง 35 (การเปลี่ยนแปลงอุณหภูมิ: ภายใน 1°C/1 ชม.) |
| ความชื้นโดยรอบ (%RH) | 15 ถึง 85 (ระดับการเปลี่ยนแปลงความชื้น: ภายใน 5% RH/1 ชม.) (ไม่มีการควบแน่น) |
| ปริมาณการไหลเวียนอากาศสูงสุดของชุดหลัก (ลบ.ม. /นาที) * | 21.0/24.0 |
| ขนาดภายนอก (มม.) * | H1631×W650×D800 |
| มวล (กก.) | 220 |
| สีทาบ้าน | สีงาช้าง (Nippon Paint: Y22-85B กึ่งเงา) |
| เส้นผ่านศูนย์กลางการเชื่อมต่อท่อลม (มม.) | φ200 (พร้อมโช้คอัพ) |
| แรงดันไฟฟ้าที่กำหนด (V) * | AC200 สามเฟส |
| กระแสไฟฟ้าที่ใช้ (แอมป์) * | 11.0 (เรต) 15.0 (สูงสุด) |
| การใช้พลังงาน (วัตต์) * | 3500 (เรท) 5000 (สูงสุด) |
| ปริมาณน้ำหล่อเย็น/น้ำประปา (ลิตร/นาที) * | 30 (การเปลี่ยนแปลงปริมาณน้ำ: ภายใน 1 ลิตร/ชั่วโมง) |
| แรงดันน้ำหล่อเย็น/น้ำจ่าย (MPa) * | 0.2~0.5 |
| อุณหภูมิน้ำหล่อเย็น/น้ำจ่าย (℃) * | (อุณหภูมิแวดล้อม -10℃) ถึง 35 |
| เส้นผ่านศูนย์กลางของท่อน้ำหล่อเย็น/ท่อเชื่อมต่อ * | เต้ารับตัวเมีย 20A (Rp: 3/4 นิ้ว) |
| เส้นผ่านศูนย์กลางท่อระบายน้ำ * | เต้ารับตัวเมีย 20A (Rp: 3/4 นิ้ว) |
| เส้นผ่านศูนย์กลางท่อระบายน้ำของเฟรม * | เต้ารับตัวเมีย 15A (Rc: 1/2 นิ้ว) |
| เส้นผ่านศูนย์กลางท่อระบายน้ำล้น * | เต้ารับตัวเมีย 20A (Rp: 3/4 นิ้ว) |
| สารทำความเย็น | R407C 1500 กรัม |
| ระดับเสียง (เดซิเบล(เอ)) * | 64/67 |
| ฟังก์ชั่นป้องกัน/วงจรหลัก | เบรกเกอร์ป้องกันไฟรั่ว (20A 30mA) ป้องกันการกลับเฟส |
| ฟังก์ชั่นป้องกัน/พัดลม | รีเลย์กระแสเกิน, ตัวตั้งเวลาหน่วง (3 นาที), ตัวดูดซับไฟกระชาก |
| ฟังก์ชั่นป้องกัน/คอมเพรสเซอร์ | ฟังก์ชันป้องกันการแข็งตัวของคูลเลอร์, การป้องกันแรงดันผิดปกติสูงและต่ำ, รีเลย์กระแสเกิน, ตัวป้องกันมอเตอร์, ตัวดูดซับไฟกระชาก, ฟังก์ชันควบคุมความร้อนของคูลเลอร์, ฟังก์ชันป้องกันการแข็งตัวของน้ำหล่อเย็น |
| สัญญาณเตือนขีดจำกัดบน/ล่างของอินพุต/เอาต์พุต/อุณหภูมิ | หน้าสัมผัส NC ไม่มีแรงดันไฟฟ้า (AC250V/2A/โหลดต้านทาน) |
| อินพุต/เอาต์พุต/การหยุดการทำงานอินพุต | ขั้วต่อ PCB |
| มาตรฐานอินพุต/เอาต์พุต/อีเธอร์เน็ต/การสื่อสาร | LED 7 ส่วน, อินพุตคีย์ |
| โปรโตคอลอินพุต/เอาต์พุต/อีเธอร์เน็ต/การสื่อสาร | ฟังก์ชันแสดงประวัติข้อผิดพลาด ฟังก์ชันตั้งค่าสัญญาณเตือนขีดจำกัดบนและล่างของอุณหภูมิและความชื้น ฟังก์ชันล็อคกุญแจ การทำงานป้องกันการแข็งตัว |
*1 ค่าวัดจากท่อ 4 เมตร เมื่ออุณหภูมิโดยรอบและความชื้นอยู่ที่ 25℃/50%RH และอุณหภูมิน้ำหล่อเย็นอยู่ที่ 15℃ และอัตราการไหลอยู่ที่ 30L/นาที
*2 ความแม่นยำในการควบคุมอุณหภูมิและความชื้นขึ้นอยู่กับวิธีการที่กำหนดไว้ในห้องอุณหภูมิคงที่และความชื้น JTMK01 - วิธีการทดสอบประสิทธิภาพและวิธีการแสดงประสิทธิภาพ (สมาคมผู้ผลิตเครื่องจักรทดสอบแห่งญี่ปุ่น)
รับประกันความแม่นยำสำหรับจุดหนึ่งที่ช่องระบายอากาศของตัวเครื่องหลักโดยใช้การอ่านค่าตัวควบคุมอุณหภูมิบนเครื่องปรับอากาศ และการรบกวนความร้อนจากท่อ ฯลฯ ไม่ครอบคลุมอยู่ในการรับประกันความแม่นยำ
นอกจากนี้ ผลิตภัณฑ์นี้ยังมีวัตถุประสงค์เพื่อระงับความผันผวนของอุณหภูมิอากาศ และไม่รับประกันค่าอุณหภูมิสัมบูรณ์
(มีฟังก์ชันอคติสำหรับการแก้ไข)
*3 ขึ้นอยู่กับอุณหภูมิและความชื้นโดยรอบ การควบคุมอาจไม่สามารถทำได้ แม้จะอยู่ในช่วงการควบคุมก็ตาม
*4 ขึ้นอยู่กับสภาพแวดล้อมการใช้งาน อาจไม่สามารถควบคุมได้ด้วยค่าที่ตั้งไว้
*5 หากสูญเสียแรงดันมากเนื่องจากท่อยาว ฯลฯ ให้ใช้พัดลมเสริมเพื่อให้แน่ใจว่ามีการไหลเวียนของอากาศเพียงพอที่ปลายท่อ
*6 ขนาดที่ระบุข้างต้นรวมล้อเลื่อนและไม่รวมหน้าแปลนหรือส่วนที่ยื่นออกมาสำหรับติดตั้ง
*7 โปรดใช้แรงดันไฟฟ้าของแหล่งจ่ายไฟภายใน ±10% ของแรงดันไฟฟ้าที่กำหนด
*8 การใช้พลังงานปัจจุบันและการใช้พลังงานจะแตกต่างกันขึ้นอยู่กับอุณหภูมิและความชื้นโดยรอบและเงื่อนไขการใช้งาน
*9 ห้ามใช้น้ำบริสุทธิ์สูงหรือบริสุทธิ์มาก (ค่าการนำไฟฟ้า: 1μS/cm หรือต่ำกว่า ค่าความต้านทาน: 10MΩ·cm หรือมากกว่า) เพื่อจ่ายน้ำให้กับเครื่องนี้
ควรจ่ายน้ำหล่อเย็นให้มีอัตราการเปลี่ยนแปลงอุณหภูมิของน้ำอยู่ภายใน 1°C/ชั่วโมง และอัตราการเปลี่ยนแปลงปริมาตรน้ำอยู่ภายใน 1 ลิตร/ชั่วโมง
*10 อุณหภูมิน้ำหล่อเย็นและน้ำเพิ่มความชื้นควรต่ำกว่าอุณหภูมิห้องอย่างน้อย -10°C อาจเกิดการควบแน่นบนตัวผลิตภัณฑ์ได้
*11 ค่าวัดได้ 1 เมตรด้านหน้า.
- ก่อนที่จะติดตั้งผลิตภัณฑ์จริง โปรดตรวจสอบข้อมูลจำเพาะและข้อควรระวังในคู่มือการใช้งาน
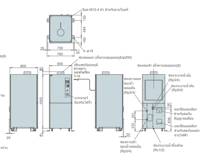
ขนาดภายนอก

เซ็นเซอร์วัดอุณหภูมิและความชื้น

บันทึก
◯โปรดอ่านคู่มือการใช้งานก่อนใช้งานและใช้ให้ถูกต้อง
◯สินค้าจะถูกจัดส่งไปที่ยานพาหนะ(สถานที่ภายในประเทศที่กำหนด ไม่รวมเกาะห่างไกล)
◯ อาจต้องใช้บริการเที่ยวบินเช่าเหมาลำ ขึ้นอยู่กับรุ่นและจำนวนรถ (อาจมีค่าใช้จ่ายเพิ่มเติม)
◯สำหรับการจัดส่งไปต่างประเทศ เราขอแนะนำให้แยกบรรจุภัณฑ์ต่างประเทศ
○หากคุณต้องการจัดการประชุม โปรดติดต่อเราแยกต่างหาก
◯โปรดตรวจสอบข้อมูลจำเพาะและติดตั้งเบรกเกอร์ (เบรกเกอร์วงจรสายไฟ) ที่เหมาะสมระหว่างผลิตภัณฑ์นี้และแหล่งจ่ายไฟ
◯การใช้ผลิตภัณฑ์นอกช่วงพลังงานที่กำหนดอาจทำให้เกิดการทำงานผิดปกติได้
กรุณาทำการบำรุงรักษาตามปกติ
◯การไม่ดำเนินการบำรุงรักษาตามปกติอาจส่งผลให้ประสิทธิภาพของผลิตภัณฑ์ลดลงหรือเกิดปัญหาได้
เมื่อจะกำจัดผลิตภัณฑ์นี้ โปรดปฏิบัติตามกฎหมายและข้อบังคับที่เกี่ยวข้องทั้งหมด และกำจัดอย่างเหมาะสม
หากคุณมีปัญหาในการเลือกผลิตภัณฑ์ หรือต้องการปรึกษาเกี่ยวกับการนำไปใช้งาน
โปรดอย่าลังเลที่จะติดต่อเรา
การสอบถาม
สำหรับการสอบถามผลิตภัณฑ์, การขอใบเสนอราคา, ฯลฯ
โปรดอย่าลังเลที่จะติดต่อเรา

