ENC-GR1300LE-eco商品详情
规格
请参阅目录中的规格(50/60Hz)
| 安装类型 | 侧装式 |
|---|---|
| 制冷能力 | 1300 |
| 设定温度范围(℃) | 25~45 |
| 使用温度范围(℃) | 20~55 |
| 使用湿度范围(%RH) | 10~85 (不结露) |
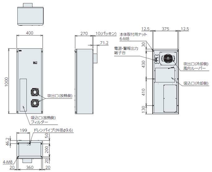
| 外部尺寸 (mm) | H1000×W400×D270 |
| 重量(公斤) | 38 |
| 外观颜色 | 孟塞尔5Y7/近浅米色 |
| 额定电压(V) | 单相AC200-240 |
| 消耗电流:额定(A) * | 3.2/3.0 |
| 消耗电流:最大(A) | 4.6/4.5 |
| 消耗电力:额定(瓦)* | 500 |
| 消耗电力:最大(W) | 745 |
| 建议的断路器容量 (A) | 10 |
| 抗振性 | 相当于JISZ0200Level 1 |
| 防尘防水保护等级 | IP54相当(内循环路径) |
| 认证 | CE / UL / CCC |
| 冷媒/ 填充量(克) | R1234yf 525g |
| 噪音(分贝(A)) | 約73 |
| 外部输出 | 警报输出(无电压a触点:250V 2A电阻负载)可通过设置切换到无电压b触点 |
| 显示 | 电路板温度 / 错误 / 运行 |
※制冷能力:环境温度35℃、湿度40%RH、电源电压200V(仅限100V型)下的额定能力值。(测定条件:JIS B 8615-1 室内空气焓变试验法)
* 使用的使用温度范围和使用湿度范围决定了操作范围,但不能保证额定性能。
*额定:环境温度35°C、湿度40%RH、电源电压200V(100V仅限100V型)下的额定。
*MAX值:MAX值时的环境温度有规定。
*请使用电源电压在额定电压±10%以内。
*消耗电流、消耗电力为冷却运转时的值。
*防尘防滴保护等级:不包括排水管
*使用前请务必仔细阅读使用说明书并正确使用。
*在环境温度35°C、内部面板温度设定35°C、电源频率60Hz、内部面板负载650W的条件下进行比较。
上一代型号 ENC-G1300LE消耗电力,而 ENC-GR1300LE-eco 的功耗为 191W,可提供卓越的生产力。
外形尺寸

安装加工图

能力特性图

* 如果控制柜空调在接近允许环境温度上限的环境下使用,请咨询我们的销售代表。
【笔记】
◯使用前请阅读使用说明书并正确使用。
◯商品配送至车辆(国内指定地点,不包括偏远岛屿)。
◯ 根据车辆型号和数量,可能需要包机(可能需要额外费用)。
◯对于海外配送,我们建议使用单独的海外包装。
○请确认FA空调的规格,并在FA空调和电源之间安装适当的断路器(配线断路器)。
◯在额定电源范围之外使用本产品可能会导致其故障。
请定期进行维护。
◯未能进行定期维护可能会导致产品性能下降或出现问题。
冬季室外温度较低时,请勿连续运行 FA空调。
废弃本产品时,请遵守所有适用的法律法规并妥善处置。

最近浏览过的商品



