ENC-GR500L-SUS产品详情
规格
请参阅目录中的规格(50/60Hz)
| 安装类型 | 侧装式 |
|---|---|
| 制冷能力 | 470 |
| 设定温度范围(℃) | 25~45 |
| 使用温度范围(℃) | -5~55 |
| 使用湿度范围(%RH) | 10~85 (不结露) |
| 外部尺寸 (mm) | H700×W350×D99 |
| 重量(公斤) | 17 |
| 表面光洁度 | SUS-HL光洁度 |
| 额定电压(V) | 单相AC200-240 |
| 消耗电流:额定(A) * | 1.9/1.7 |
| 消耗电流:最大(A) | 2.7/2.4 |
| 消耗电力:额定(瓦)* | 275 |
| 消耗电力:最大(W) | 395 |
| 建议的断路器容量 (A) | 5 |
| 抗振性 | 相当于JISZ0200Level 1 |
| 防尘防水保护等级 | IPX4(仅限产品)IP54 相当(内循环路径) |
| 认证 | CE / UL / CCC |
| 冷媒/ 填充量(克) | R1234yf 160g |
| 噪音(分贝(A)) | 約76 |
| 外部输出 | 警报输出(无电压a触点:250V 2A电阻负载)可通过设置切换到无电压b触点 |
| 显示 | 电路板温度 / 错误 / 运行 |
※制冷能力:环境温度35℃、湿度40%RH、电源电压200V时的额定能力值。(测定条件:JIS B 8615-1 室内空气焓变试验法)
* 使用的使用温度范围和使用湿度范围决定了操作范围,但不能保证额定性能。
*额定:环境温度35°C、湿度40%RH、电源电压200V时的额定。
*MAX值:MAX值时的环境温度有规定。
*请使用电源电压在额定电压±10%以内。
*消耗电流、消耗电力为冷却运转时的值。
*防尘防滴保护等级:(仅限产品)不包括面板内部的安装表面 / (内循环路径)不包括排水管
*使用前请务必仔细阅读使用说明书并正确使用。
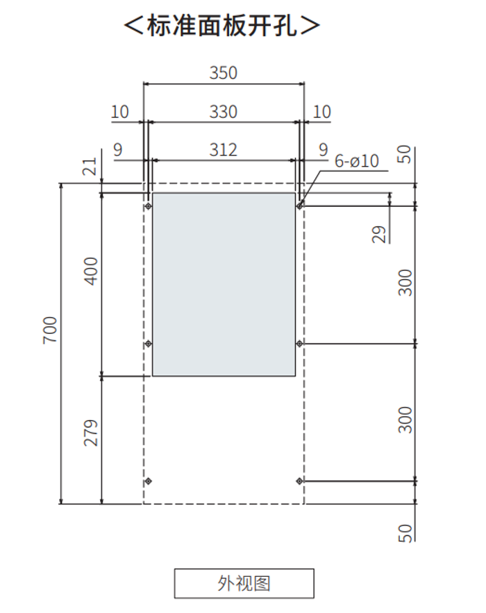
外形尺寸

安装尺寸图

能力特性图

【笔记】
◯使用前请阅读使用说明书并正确使用。
◯商品配送至车辆(国内指定地点,不包括偏远岛屿)。
◯ 根据车辆型号和数量,可能需要包机(可能需要额外费用)。
◯对于海外配送,我们建议使用单独的海外包装。
○请确认FA空调的规格,并在FA空调和电源之间安装适当的断路器(配线断路器)。
◯在额定电源范围之外使用本产品可能会导致其故障。
请定期进行维护。
◯未能进行定期维护可能会导致产品性能下降或出现问题。
冬季室外温度较低时,请勿连续运行 FA空调。
废弃本产品时,请遵守所有适用的法律法规并妥善处置。





