ENH-117L-230产品详情
规格
| 安装类型 | 盘内侧面安装 |
|---|---|
| 冷却方式 | 管式热传导(导热管) 完全不含 CFC(使用纯水) |
| 额定能力(W/K) | 15/18 |
| 使用温度范围(℃) | 0~60以下 |
| 使用湿度范围(%RH) | 10~85 (不结露) |
| 外部尺寸 (mm) | H426×W177×D70 |
| 重量(公斤) | 4 |
| 外观颜色 | 热镀锌/无涂装 |
| 额定电压(V) | 单相AC230 |
| 消耗电流(A) | 0.14/0.12(MAX) |
| 限制电流 (A) | 0.16/0.14(MAX) |
| 消耗电力(瓦) | 27/24(MAX) |
| 认证 | CE |
注)额定能力(W/K):盘内与盘外温差为20K时的热交换能力。
配件清单
| 保护盖 | 1 |
|---|---|
| 过滤网 | 1张 |
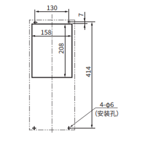
外形尺寸

安装加工图

*这是从控制柜外面看到的视图。
*加工时请保持螺距。
*即使型号发生变化,标准面板切口也不会改变(有一些例外)。
【笔记】
○使用前请阅读使用说明书并正确使用。
○商品配送至车辆(国内指定地点,不包括偏远岛屿)。
○根据型号和台数,可能需要包机(可能需要额外费用)。
对于海外交付,我们建议使用单独的海外包装。
在额定电源范围之外使用产品可能会引起产品故障。
○ 用 4.9 至 7.4 N·cm 的紧固扭矩固定前盖。
请定期进行维护。
○若不定期进行维护,可能会导致产品性能下降或出现问题。
○加热管加热温度超过200°C可能会爆裂。请勿将其投入火中。
○废弃时,请切掉一部分热管。


