GDE-A2200商品详情
规格
| 规格 | 烟尘净化器安装规格 |
|---|---|
| 风扇马达 (kW) | 2.2 |
| 风量 (m 3 /min) | 10/20/30 |
| 风扇静压 (kPa) | 3.11/3.06/2.86 |
| 机外静压 (kPa) | 2.92/2.50/1.82 |
| 频率调节范围(Hz) | 20~60 |
| 工作环境温度(℃) | 40以下(结露) |
| 吸气温度 (°C) | 40以下(结露) |
| 付款方式 | 绿脉冲法 |
| 空气使用压力 (MPa) | 0.5 |
| 典型空气消耗量(L/min [N.T.P]) | 25 |
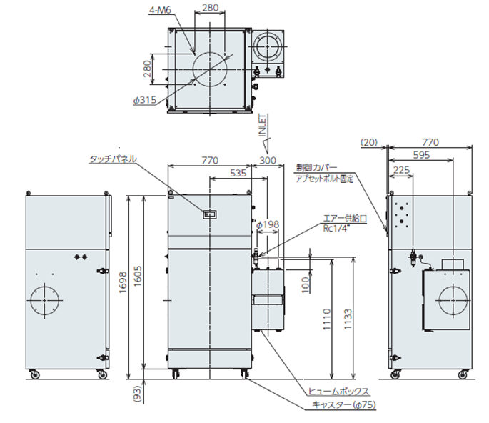
| 外部尺寸 (mm) | H1698×W1070×D770 |
| 重量(公斤) | 294 |
| 吸引口尺寸 (φmm) | 198 |
| 外观颜色 | 涂层颜色主机:JPMA N-75 面板:JPMA N-35 |
| 额定电压(V) | 三相AC200V(50Hz/60Hz)或220V(60Hz) |
| 推荐断路器 (A) | 30 |
| 部件/风扇 | 涡轮风扇 |
| 组件/马达 | IE3立式法兰电机 |
| 组成设备/超精过滤网面积(m2) | 36 |
| 组成设备/超细过滤网数量(台) | 6 |
| 构成装置/一体型引导阀 (个) | 2 |
| 配置单元/集尘箱容量 (L个) | 17 x 2 (金属) |
| 组件/脚轮 (φmm×个) | 75×4 |
| 显示格式 | 触控板 |
| 控制输出/警报输出 | Arbeit contact 无电压(电压:DC30V/AC220V以下最大负载:2A以下(阻性负载)/80VA(感性负载)) |
| 控制输出/警告输出 | Arbeit contact 无电压(电压:DC30V/AC220V以下最大负载:2A以下(阻性负载)/80VA(感性负载)) |
| 控制输出/运行输出 | Arbeit contact 无电压(电压:DC30V/AC220V以下最大负载:2A以下(阻性负载)/80VA(感性负载)) |
| 控制输入/运行/停止 | 无电压输入 |
| 控制输入/脉冲禁止 | 无电压输入 |
| 控制输入/脉冲操作 | 无电压输入 |
| 噪音(分贝(A)) | 67±2 |
※风量、静压:各压力以60Hz运行时表示。
外形尺寸

烟尘净化器

风扇性能特性曲线


最近浏览过的商品


