
スタンダード制御盤用クーラー(ノンフロン)
ENC-GR1010EX-eco
| Cooling capacity(W)*1 | 960 |
|---|---|
| Rated voltage(V) | Single-phase, 100 to 120 VAC |
| Mounting Type | Ceiling Mounting |
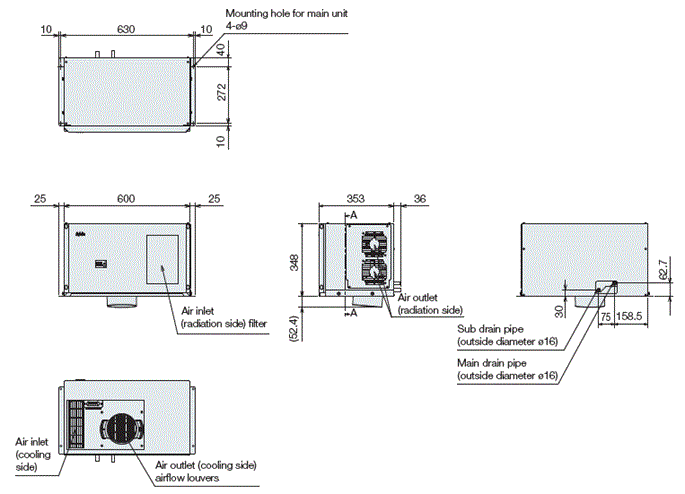
| External Dimensions(mm) | H348×W600×D353 |
| Weight(kg) | 32 |
ENC-GR1010EX-eco Product details
Specifications
See specification in the catalogue(50/60Hz)
| Mounting Type | Ceiling Mounting |
|---|---|
| Cooling capacity(W)*1 | 960 |
| Setting temperature range (℃) | 25~45 |
| Ambient temperature(℃) | 20~55 |
| Ambient humidity(%RH) | 10~85 (No condensation) |
| External Dimensions(mm) | H348×W600×D353 |
| Weight(kg) | 32 |
| Coating Color | Munsell 5Y 7/1 Equivalent color of light beige |
| Rated voltage(V) | Single-phase, 100 to 120 VAC |
| current consumption: rating (A) * | 5.3/5.3 |
| Current consumption *3 : Max(A) *5 | 5.9/5.9 |
| power consumption: rating (W) * | 465 |
| Power consumption *3 : Max(W) *5 | 513 |
| Recommended breaker capacity (A) | 10 |
| Vibration resistance | Equivalent to JIS Z0200 Level1 |
| Dust and water proof protection rating | Equivalent to IP54 (internal circulation route) |
| Certification | CE |
| Refrigerant / Amount(g) | R1234yf 250g |
| Noise (dB(A)) | 約70 |
| External output | alarm output (non-voltage a contact: 250V 2A resistive load) can be switched to non-voltage b contact by setting |
| Display | Panel temperature/Error/RUN |
* cooling capacity: rating capacity values at ambient temperature 35°C, humidity 40%RH, power-supply voltage 200V. (Measurement conditions: JIS B 8615-1 indoor side air enthalpy test method)
* Use Area Temperature / use area Humidity specify the operating range and do not guarantee rating performance.
* rating values: rating values at ambient temperature 35°C and humidity 40%RH and power-supply voltage 200V.
*MAX value: The ambient temperature at MAX value is specified respectively.
*Use power-supply voltage within ±10% of rated voltage.
current consumption and power consumption are the values at the time of cooling operation.
*Dustproof and drip-proof protection grade: except drain pipe part
Please read the instruction manual carefully before use and use the product correctly.
External dimensions

Diagram of Panel Cutout

cooling capacity graph

[Caution]
To ensure proper operation of this equipment, read the operation manual before use.
Depending on model and quantity, separate charter delivery may be arranged (additional costs apply).
Overseas at the time of delivery, we recommend packing for overseas separately.
Please check through the cooler between the FA and the power (circuit breakers) to the appropriate specification of the FA breaker cooler.
Cause of failure and be used at the rated power supply out of range.
Please use the service and maintenance on a regular basis.
Failure to maintain regular maintenance, you may be a factor in product performance degradation trouble.
When the outside temperature is low in winter, please do not let the FA cooler continuous operation.
When disposing of this product, you should comply with various laws and regulations, please go to the appropriate.
If you are having trouble selecting a product or would like to discuss implementation,
Please feel free to contact us.
People who viewed this page also checked out these documents:
Inquiry
For product inquiries, quote requests, etc.
Please feel free to contact us.




