
Outdoor control panel cooling unit (freon)
ENC-AR1610HD
| Cooling capacity(W)*1 | 1450/1600 |
|---|---|
| Rated voltage(V) | Single-phase 100V AC |
| Mounting Type | Side-mounting |
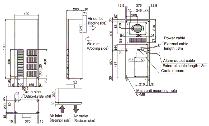
| External Dimensions(mm) | H1000×W400×D260 |
| Weight(kg) | 42 |
ENC-AR1610HD Product details
Specifications
See specification in the catalogue(50/60Hz)
| Mounting Type | Side-mounting |
|---|---|
| Cooling capacity(W)*1 | 1450/1600 |
| Setting temperature range (℃) | 25~45 |
| Ambient temperature(℃) | -5~55 |
| Ambient humidity(%RH) | 10~85 (No condensation) |
| External Dimensions(mm) | H1000×W400×D260 |
| Weight(kg) | 42 |
| Surface Finish | NSSC 180-HL No.4 finish |
| Rated voltage(V) | Single-phase 100V AC |
| current consumption: rating (A) * | 7.6/7.0 |
| Current consumption *3 : Max(A) *5 | 8.5/8.8 |
| Starting current (A) | 22.3/20.5 |
| power consumption: rating (W) * | 610/650 |
| Power consumption *3 : Max(W) *5 | 740/830 |
| Vibration resistance | Equivalent to JIS Z 0200 Level1 |
| Dust and water proof protection rating | Equivalent to IP54 (internal circulation route) |
| Refrigerant / Amount(g) | R407C 300g |
| Noise (dB(A)) | 約65/68 |
| External output | alarm output (non-voltage a contact: 250V 2A resistive load) |
| Display | Internal temperature/error display LED, RUN LED |
Note)
cooling capacity: rating capacity value when outside temperature is 35°C and internal temperature is set to 35°C. (Measurement conditions: JIS-C-9612 air enthalpy method)
Use Area Temperature and humidity conditions for use area Humidity are not guaranteed to be met.
rating: Value when Use Area Temperature 35°C and use area Humidity 40% RH.
MAX value: The value when Use Area Temperature is the maximum allowable ambient temperature and use area Humidity is 40% RH.
Use Area Temperature: If the outside temperature is below 0°C, set the temperature inside the panel to 30°C or higher.
- Use power-supply voltage within ±10% of rated voltage.
- Be sure to read the instruction manual carefully before use and use it correctly.
External dimensions

Diagram of Panel Cutout

Capacity characteristics graph

*If you plan to use the FA cooler in environment close to the upper limit of the allowable ambient temperature, please consult with our sales representative.
[Caution]
To ensure proper operation of this equipment, read the operation manual before use.
Depending on model and quantity, separate charter delivery may be arranged (additional costs apply).
Overseas at the time of delivery, we recommend packing for overseas separately.
Please check through the cooler between the FA and the power (circuit breakers) to the appropriate specification of the FA breaker cooler.
Cause of failure and be used at the rated power supply out of range.
Please use the service and maintenance on a regular basis.
Failure to maintain regular maintenance, you may be a factor in product performance degradation trouble.
When the outside temperature is low in winter, please do not let the FA cooler continuous operation.
When disposing of this product, you should comply with various laws and regulations, please go to the appropriate.
If you are having trouble selecting a product or would like to discuss implementation,
Please feel free to contact us.
People who viewed this page also checked out these documents:
Inquiry
For product inquiries, quote requests, etc.
Please feel free to contact us.




