
dust collector (for general dust)
GDE-A2200
| Blower motor output(kW) | 2.2 |
|---|---|
| Air flow (m3 /min) | 15/30/35 |
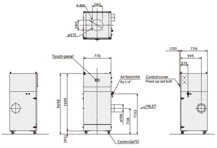
| External Dimensions(mm) | H1698×W770×D770 |
| Weight(kg) | 260 |
| Clearing method | Green Pulse Method |
Inquiry
Download
GDE-A2200 Product details
Specifications
| Specifications | Standard model |
|---|---|
| Fan motor(kW) | 2.2 |
| Air flow (m3 /min) | 15/30/35 |
| Fan static pressure (kPa) | 3.09/2.86/2.60 |
| External static pressure (kPa) | 2.91/2.16/1.67 |
| frequency adjustment range (Hz) | 20~60 |
| Operating temperature(℃) | 40 or less (no condensation) |
| Suction gas temperature (℃) | 40 or less (no condensation) |
| Clearing method | Green Pulse Method |
| Used compressed air pressure(MPa) | 0.5 |
| Standard air consumption (L/min [NTP]) | 25 |
| External Dimensions(mm) | H1698×W770×D770 |
| Weight(kg) | 260 |
| Suction opening dimensions(φmm) | 198 |
| Coating Color | Coating color main unit: JPMA N-75 Panels: JPMA N-35 |
| Rated voltage(V) | Three-phase AC 200V (50Hz/60Hz) or 220V (60Hz) |
| Recommended breaker amperage(A) | 30 |
| Max. input current(A) * | 11 |
| Max. Power consumption(kW) * | 2.8 |
| Component / Fan | Turbo fan |
| Component / Motor | IE3 Vertical fl ange motor |
| Component / Main filter Area(m2) | 36 |
| Component / Ultra-fine filter ・ Count (Unit) | 6 |
| Component / Integrated pilot valve (Unit) | 2 |
| Component / Dust box ・ capacity (L×Unit) | 17 x 2 (plastic) |
| Component / Caster (φmm×Unit) | 75×4 |
| Display type | Touch-panel |
| Control output / Alarm output | Arbeit contact Non-voltage (Voltage:DC30V/AC220V or lessMaximum load:2A or less (Resistive load) /80VA(Inductive load)) |
| Control output / Caution output | Arbeit contact Non-voltage (Voltage:DC30V/AC220V or lessMaximum load:2A or less (Resistive load) /80VA(Inductive load)) |
| Control output / Operation output | Arbeit contact Non-voltage (Voltage:DC30V/AC220V or lessMaximum load:2A or less (Resistive load) /80VA(Inductive load)) |
| Control input / Operation, stop input | Non-voltage input |
| Control input / Pulse disabled | Non-voltage input |
| Control input / Pulse running | Non-voltage input |
| Noise (dB(A)) | 67±2 |
* Measured at 60 Hz operation when new and without duct installation. Value may vary depending on operating conditions.
External dimensions

Blower performance characteristic curve

If you are having trouble selecting a product or would like to discuss implementation,
Please feel free to contact us.
People who viewed this page also checked out these documents:
Inquiry
For product inquiries, quote requests, etc.
Please feel free to contact us.




