
Temperature Control Type
PAU-AZ3000SE
| Processing air volume (m 3 /min) | 9.5/10.0 |
|---|---|
| Cooling capacity(W)*1 | 2600/2950 |
| Thermal capacity(W) | 3250/3550 |
| Rated voltage(V) | Three-phase 200V AC |
| Control models | Temperature control |
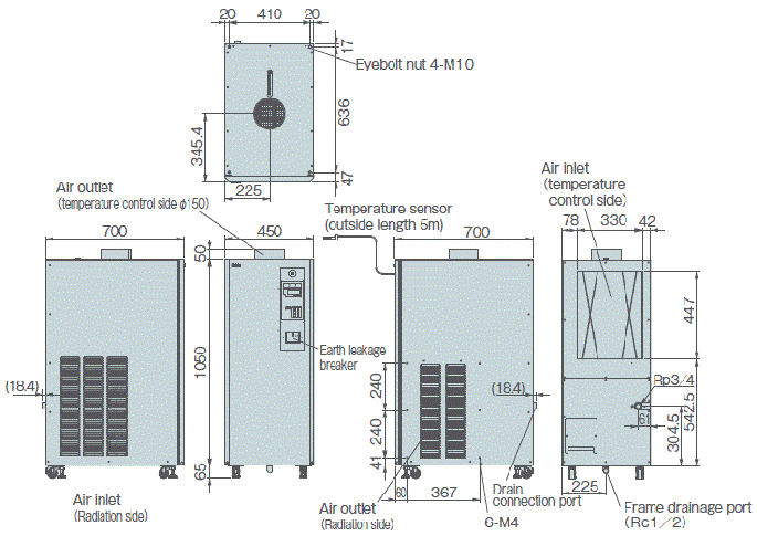
| External Dimensions(mm) | H1115×W450×D700 |
| Weight(kg) | 88 |
Inquiry
Download
PAU-AZ3000SE Product details
Specifications
| Cooling system | Air-cooling type |
|---|---|
| Control models | Temperature control |
| cooling capacity (W) * | 2600/2950 |
| Heating capacity (W) * | 3250/3550 |
| Temperature control stability (°C) * | ±0.1 |
| Temperature control range (°C) * | 20 to 30 |
| Temperature setting range (°C) * | 11~42 |
| Ambient temperature(℃) | 15 to 35 (Temperature change gradient: within 1°C/1h) |
| Ambient humidity(%RH) | 15 to 85 (Humidity change gradient: within 5%RH/1h) (No condensation) |
| Maximum main body airflow volume (m 3 /min) * | 9.5/10.0 |
| External dimensions (mm) * | H1115×W450×D700 |
| Weight(kg) | 88 |
| Coating Color | Ivory (Nippon Paint: Y22-85B semi-gloss) |
| Blower duct connection diameter(mm) | φ150 (with damper) |
| rated voltage (V) * | Three-phase 200V AC |
| current consumption (A) * | 4.45/4.3 (rating) 5.6/5.6 (MAX) |
| power consumption (W) * | 965/1245 (rating) 1410/1750 (MAX) |
| Drain outlet diameter * | 20A female socket (Rp: 3/4 inch) |
| Frame drain diameter * | 15A female socket (Rc: 1/2 inch) |
| Refrigerant(g) | R134a 730g |
| Exhaust airflow (m³ /min) * | 20.0/24.0 |
| noise (dB(A)) * | 70/72 |
| Protective functions/Main circuit | Earth leakage breaker (10A 30mA), reverse phase protection |
| Protective functions/Fan | Overcurrent relay, delay timer (3 minutes), surge absorber |
| protection function/Compressor | Cooler anti-freeze function, overcurrent relay, motor protector, surge absorber |
| Input/output/main unit abnormal output | Contact b: No voltage (AC250V/2A/resistive load) |
| Input/output/temperature upper/lower limit alarm | Contact b: No voltage (AC250V/2A/resistive load) |
| Input/output/operation stop input | PCB Connector |
| Display/operation method | 7-segment LED, key input |
| Functions | Error history display function, temperature and humidity upper and lower limit alarm setting function, key lock function, anti-freeze operation function |
*1 Values measured 4m from the duct when the ambient temperature and humidity is 25°C/50%RH.
*2 Temperature control stability is based on the method specified in JTMK01 Constant Temperature and Humidity Chamber -performance Test Method and performance display Method (Japan Testing Machinery Manufacturers' Association).
stability is guaranteed for one point at the main body outlet using the temperature controller reading on the air conditioner, and thermal interference from ducts, etc. is not covered by stability guarantee.
In addition, this product is intended to suppress fluctuations in air temperature and does not guarantee absolute temperature values.
(A bias function for correction is provided.)
*3 Depending on the ambient temperature and humidity, control may not be possible even within the control range.
*4 Depending on the usage environment, control may not be possible with the set value.
*5 If the pressure loss is large due to a long duct, etc., use an auxiliary fan to ensure sufficient airflow at the end of the duct.
*6 The above dimensions include the casters and do not include the mounting flanges or protrusions.
*7 Please use power-supply voltage within ±10% of rated voltage.
*8 current consumption and power consumption vary depending on ambient environment temperature and humidity and conditions of use.
*9 As this is an air-cooled type, heat is exhausted from the equipment. (An exhaust chamber is available as option.)
*10 Value measured 1m in front.
- Before actually installing the product, please check specification and precautions in the instruction manual.
External dimensions

Sensor dimensions

Note
◯Please read the instruction manual before use and use it correctly.
◯Products will be delivered to the vehicle (designated domestic locations, excluding remote islands).
◯ Depending on model and number of vehicles, a charter flight may be required (additional costs may apply).
◯For overseas delivery, we recommend separate overseas packaging.
○If you would like to arrange for a meeting to be held, please contact us separately.
◯Please check specification and install an appropriate circuit breaker (wiring circuit breaker) between this product and power supply.
◯Using the product outside rating power supply range may cause it to malfunction.
Please perform regular maintenance.
◯Failure to perform regular maintenance may result in deterioration of product performance or problems.
When disposal of this product, please comply with all applicable laws and regulations and dispose of it appropriately.
If you are having trouble selecting a product or would like to discuss implementation,
Please feel free to contact us.
Inquiry
For product inquiries, quote requests, etc.
Please feel free to contact us.

